Для осуществления гарантийного обслуживания необходимы:
- правильно заполненный гарантийный талон;
- документ подтверждающий покупку (товарная накладная)
- утерян или не заполнен гарантийный талон;
- изделие имеет следы механического повреждения или вскрытия;
- нарушены заводские пломбы;
- были нарушены условия эксплуатации, транспортировки или хранения.
Конденсатоотводчик термостатический РКД:
- обеспечивает расход пара таким образом, чтобы пар в теплообменнике полностью превращался в конденсат, и тем самым максимально отдавал свой запас теплоты;
- непрерывно отводит образующийся конденсат в линию сбора конденсата, предотвращая его накопление в теплообменнике.
- исключает пропуск пролетного пара;
- отводит воздух всегда находящийся в теплообменнике (в частности при пуске) и растворенные в паре газы.
Преимущества термостатических конденсатоотводчиков:
- Устойчивость к воздействию низких температур;
- Удобство и простота наружной настройки путем перемещения регулировочного винта;
- Срок службы до 10 лет;
- По заказу могут быть изготовлены из стали 09Г2С, 12Х18Н10Т и с присоединительными фланцами исп. Е, F.
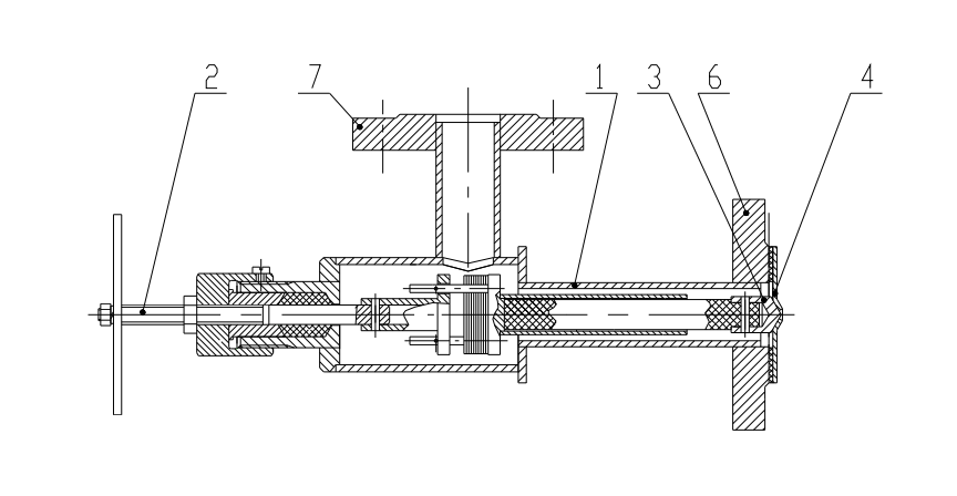
Конденсатоотводчик состоит из корпуса (1) с встроенным седлом (4) и с присоединительными фланцами (6,7), настроечного винта (2). Внутри корпуса смонтированы термочувствительный клапанный блок (3) с пакетом биметаллических пластин и плоских пружин.
Термостатические конденсатоотводчики непрерывно отводят образующийся конденсат в линию сбора конденсата, предотвращая его накопление в теплообменнике.
При работе конденсат поступает под седло, отжимает клапан, проходит вдоль пакета биметаллических пластин и выходит через выходное отверстие.
При поступлении конденсата или пароводяной смеси с повышенной температурой пакет биметаллических пластин деформируется, увеличивая свою длину, толкает клапан, он приближается к седлу, входной зазор уменьшается (иногда до полного закрытия), расход уменьшается.
При поступлении конденсата с пониженной температурой длина пакета биметаллических пластин уменьшается, клапан отходит от седла, расход увеличивается.
Плоская пружина обеспечивает работу конденсатоотводчика в термодинамическом режиме.
ХАРАКТЕРИСТИКИ:
| Обозначение | Ду, мм | Ру, кг/см2 | Дс, диаметр седла, мм | Кv, т/час | Масса, кг |
| РКД-3-3240 | 32 | 40 | 4,0 | 0,36...1,45 | 5,9 |
| 5,0 | |||||
| 6,3 | |||||
| 8,0 |
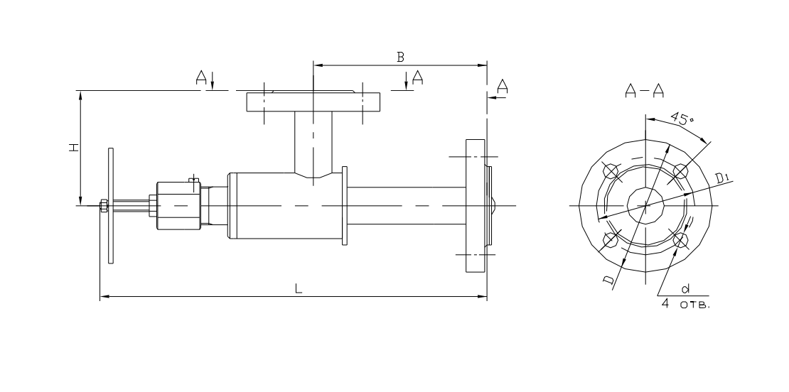
Габаритные и присоединительные размеры:
| Обозначение | Размеры, мм | |||||||||
| D | D1 | D2 | D3 | D4 | d | B | H | L | L1 | |
| РКД-3-3240 | ⌀135 | ⌀100 | - | - | - | ⌀18 | 150 | 100 | 346 max | - |
Вы можете выбрать один из двух вариантов оплаты:
Оплата наличными (физические лица)
Оплата наличными доступна при самовывозе со склада компании.
Безналичный расчёт (юридические лица)
Для оплаты Вам необходимо оформить заказ на сайте или направить нам письмо по электронной почте, в письме прикрепите Ваши реквизиты.
При оформлении заказа на сайте счёт выставляется без НДС. Для получения счёта с НДС (20%) направьте запрос на электронную почту.
Заказ счета info@pkyas.ru
- самовывоз со склада;
- доставка по СПБ;
- доставка до ТК;
- доставка по России
Самовывоз со склада
Вы можете забрать товар со склада по адресу СПб, ул. Жака Дюкло д.20 (ПН-ПТ 10:00-18:00);
Доставка по СПБ
Для расчёта стоимости доставки обратитесь к Вашему менеджеру.
Доставка до ТК
Бесплатная доставка до терминала транспортных компаний в г. Санкт-Петербург..
Доставка по России
Мы осуществляем отгрузку продукции в большинство городов России.
Мы доставим Ваш груз до терминалов транспортных компаний «Деловые Линии», «ПЭК», «Желдорэкспедиция» в г. Санкт-Петербурге , Вам же останется оплатить транспортной компании только междугороднюю перевозку и получить груз в своем городе..

