Для осуществления гарантийного обслуживания необходимы:
- правильно заполненный гарантийный талон;
- документ подтверждающий покупку (товарная накладная)
- утерян или не заполнен гарантийный талон;
- изделие имеет следы механического повреждения или вскрытия;
- нарушены заводские пломбы;
- были нарушены условия эксплуатации, транспортировки или хранения.
Конденсатоотводчик РКПМ-НР с опрокинутым поплавком и регулируемым устройством:
- обеспечивает расход пара таким образом, чтобы пар в теплообменнике полностью превращался в конденсат, и тем самым максимально отдавал свой запас теплоты;
- непрерывно отводит образующийся конденсат в линию сбора конденсата, предотвращая его накопление в теплообменнике.
- исключает пропуск пролетного пара;
- отводит воздух всегда находящийся в теплообменнике (в частности при пуске) и растворенные в паре газы;
- сохраняет работоспособность при переменных рабочем и обратном давлениях;
- работает на загрязненном конденсате;
- обладает коррозионной стойкостью;
- обеспечивает возможность присоединения к трубопроводу с помощью фланцев и муфт (по спецзаказу);
- удобен для обслуживания и ремонта.
Принцип работы поплавкового конденсатоотводчика отличается в сравнении с термодинамическим и термостатическим типом оборудования.
На процесс выведения конденсата никак не влияет окружающая среда, погодные условия и другие негативные факторы. Как понятно из названия, здесь действует принцип действия поплавка, который при наличии конденсата поднимается, при снижении его уровня опускается, перекрывая выпускной клапан. Принцип действия системы основан на разнице плотности сред.
Преимущества поплавкового конденсатоотводчика РКП:
- Имеют наилучшие энергосберегающие свойства среди всех типов конденсатоотводчиков;
- Отлично работают даже при малых изменениях расхода конденсата и давления;
- В экстремальных условиях хорошо работают;
- Устойчивость к гидроударам;
- Возможность изготовления конденсатоотводчиков полностью из нержавеющей стали;
- По заказу могут быть изготовлены из стали 09Г2С, 12Х18Н10Т и с присоединительными фланцами исп. Е, F.
ХАРАКТЕРИСТИКИ:
| Обозначение | Ду, мм | Ру, кг/см2 |
Дс, диаметр седла, мм |
Кv, кг/час | Размеры (ДхВ), мм | Масса, кг | |
| РКПМ-РН-2540 | 25 | 40 | 3,2...5,0 | 232...567 | 270х335,5 | 12,7 | |
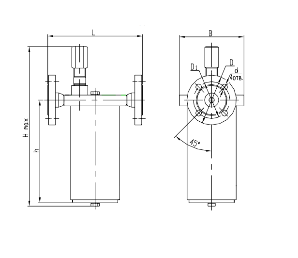
Габаритные и присоединительные размеры:
| Обозначение | Размеры, мм | ||||||
| h | H | L | B | D1 | D | d | |
| РКПМ-РН-2540 | 330,5 | 469 | 264 | ⌀150 | ⌀85 | ⌀115 | ⌀14 |
Вы можете выбрать один из двух вариантов оплаты:
Оплата наличными (физические лица)
Оплата наличными доступна при самовывозе со склада компании.
Безналичный расчёт (юридические лица)
Для оплаты Вам необходимо оформить заказ на сайте или направить нам письмо по электронной почте, в письме прикрепите Ваши реквизиты.
При оформлении заказа на сайте счёт выставляется без НДС. Для получения счёта с НДС (20%) направьте запрос на электронную почту.
Заказ счета info@pkyas.ru
- самовывоз со склада;
- доставка по СПБ;
- доставка до ТК;
- доставка по России
Самовывоз со склада
Вы можете забрать товар со склада по адресу СПб, ул. Жака Дюкло д.20 (ПН-ПТ 10:00-18:00);
Доставка по СПБ
Для расчёта стоимости доставки обратитесь к Вашему менеджеру.
Доставка до ТК
Бесплатная доставка до терминала транспортных компаний в г. Санкт-Петербург..
Доставка по России
Мы осуществляем отгрузку продукции в большинство городов России.
Мы доставим Ваш груз до терминалов транспортных компаний «Деловые Линии», «ПЭК», «Желдорэкспедиция» в г. Санкт-Петербурге , Вам же останется оплатить транспортной компании только междугороднюю перевозку и получить груз в своем городе..

