Регулятор температуры воды жидкостной РТВЖ, исп.4 предназначен для автоматического поддержания температуры ГВС в открытых схемах, с подмесом холодной воды.
Регулятор температуры воды жидкостной РТВЖ, исп.2 предназначен для автоматического поддержания температуры ГВС в открытых схемах водоснабжения, с использованием воды из обратки и из подачи для подмеса. С увеличением температуры уменьшается расход горячей воды (т.е. подмес регулируется).
Регулятор температуры воды жидкостной РТВ-3 предназначен для автоматического поддержания температуры ГВС в открытых схемах водоснабжения, с использованием воды из обратки и из подачи для подмеса.
Гидрозатвор предназначен для заглушения внутренней полости трубопроводов при проведении аварийных мероприятий, ремонтных и пусконаладочных работ на водопроводных, канализационных и тепловых сетях.
Регулятор температуры воды жидкостной РТВЖ, исп.4 предназначен для автоматического поддержания температуры ГВС в открытых схемах, с подмесом холодной воды.
Регулятор температуры воды жидкостной РТВЖ, исп.2 предназначен для автоматического поддержания температуры ГВС в открытых схемах водоснабжения, с использованием воды из обратки и из подачи для подмеса. С увеличением температуры уменьшается расход горячей воды (т.е. подмес регулируется).
Гидрозатвор предназначен для обвода транспортируемой по трубопроводу жидкости или газа вокруг участка проведения ремонтных работ.
Гидрозатвор предназначен для обвода транспортируемой по трубопроводу жидкости или газа вокруг участка проведения ремонтных работ.
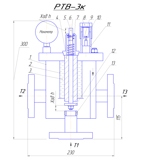
Регулятор температуры воды РТВк-3 (компактный) предназначен для автоматического поддержания температуры воды в открытых системах ГВС (с подмесом).
Гидрозатвор предназначен для заглушения внутренней полости трубопроводов при проведении аварийных мероприятий, ремонтных и пусконаладочных работ на водопроводных, канализационных и тепловых сетях.
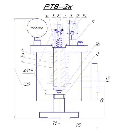
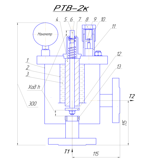
Регулятор температуры воды РТВк-2 (компактный) предназначен для автоматического поддержания температуры воды в закрытых системах ГВС (без подмеса).
Регулятор температуры воды жидкостной РТВЖ, исп.4 предназначен для автоматического поддержания температуры ГВС в открытых схемах, с подмесом холодной воды.
Регулятор температуры воды жидкостной РТВЖ, исп.2 предназначен для автоматического поддержания температуры ГВС в открытых схемах водоснабжения, с использованием воды из обратки и из подачи для подмеса. С увеличением температуры уменьшается расход горячей воды (т.е. подмес регулируется).
Регулятор температуры воды РТВ-2Р разносной предназначен для автоматического поддержания температуры горячей воды в закрытых системах водоснабжения.
Регулятор температуры воды РТВк-3 (компактный) предназначен для автоматического поддержания температуры воды в открытых системах ГВС (с подмесом).
Гидрозатвор предназначен для заглушения внутренней полости трубопроводов при проведении аварийных мероприятий, ремонтных и пусконаладочных работ на водопроводных, канализационных и тепловых сетях.
Гидрозатвор предназначен для заглушения внутренней полости трубопроводов при проведении аварийных мероприятий, ремонтных и пусконаладочных работ на водопроводных, канализационных и тепловых сетях.
Гидрозатвор предназначен для заглушения внутренней полости трубопроводов при проведении аварийных мероприятий, ремонтных и пусконаладочных работ на водопроводных, канализационных и тепловых сетях.
Регулятор температуры воды РТВк-2 (компактный) предназначен для автоматического поддержания температуры воды в закрытых системах ГВС (без подмеса).
Регулятор температуры воды жидкостной РТВ-3 предназначен для автоматического поддержания температуры ГВС в открытых схемах водоснабжения, с использованием воды из обратки и из подачи для подмеса.









